

Aluminium Double Layer Pipe Clamps are normally used for high temprature installations of more than 1000 degree celcius with Pressure ranging from 1500 PSI (100 BAR) and up to 8000 psi (600 BAR)
Pipes of Steel, Stainless Steel, Exotic Materials like Monel, Hastelloy, Inconel, Titanium can be used.
Body being Aluminum with Steel, SS 304, SS 316 plates & bolts. Steel Components undergo trivalent coating for anti-corrosive measure, better performance and Smooth Finishing
Further we have Full details of Aluminium Double Layer Pipe Clamps in our catalogue. Catalogue contains proper Selection Guide,Dimensions and Part Numbers
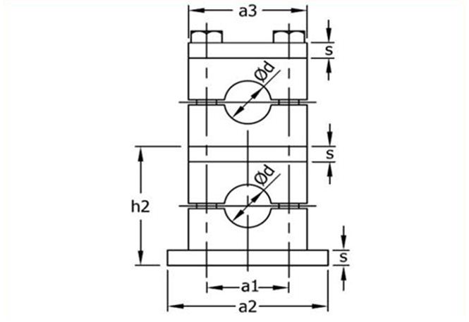
| DIN GROUP | PIPE OD Dia = d | a3 | a1 | hi | h2 | g | b1 | a2 | s | B0L1 SIZE |
| 1 | in MM | in MM | in MM | in MM | in MM | in MM | in MM | in MM | in MM | Size x Lenth |
| 6 | 55 | 33 | 24 | 48 | 0.6 to 1 mm Min | 30 | 70 | 8 | M 10 x 45 MM | |
| 6.4 | ||||||||||
| 8 | ||||||||||
| 9.5 | ||||||||||
| 10 | ||||||||||
| 12 | ||||||||||
| 12.7 | ||||||||||
| 13.5 | ||||||||||
| 14 | ||||||||||
| 15 | ||||||||||
| 16 | ||||||||||
| 17.2 | ||||||||||
| 18 | ||||||||||
| 2 | 19 | 70 | 45 | 32 | 64 | 0.6 to 1 mm Min | 30 | 85 | 8 | M 10 X 60 MM |
| 20 | ||||||||||
| 21.3 | ||||||||||
| 22 | ||||||||||
| 25 | ||||||||||
| 26.9 | ||||||||||
| 28 | ||||||||||
| 3 | 30 | 85 | 76 | 38 | 76 | 0.6 to 1 mm Min | 30 | 100 | 8 | M 10 X 70 MM |
| 32 | ||||||||||
| 33.7 | ||||||||||
| 35 | ||||||||||
| 38 | ||||||||||
| 42 | ||||||||||
| 4 | 42 | 120 | 90 | 52.5 | 105 | 2 MM MIN | 45 | 140 | 10 | M 12 X 100 MM |
| 48.3 | ||||||||||
| 50.8 | ||||||||||
| 60.3 | ||||||||||
| 63.5 | ||||||||||
| 65 | ||||||||||
| 5 | 70 | 152 | 122 | 70 | 140 | 2 MM MIN | 60 | 180 | 10 | M 16 X 130 MM |
| 73 | ||||||||||
| 76.1 | ||||||||||
| 88.9 | ||||||||||
| 6 | 102 | 210 | 168 | 97 | 193 TO 195 | 2 MM MIN | 80 | 226 | 16 | M 20 X 190 MM |
| 114 | ||||||||||
| 127 | ||||||||||
| 133 | ||||||||||
| 7 | 141 | 251 | 205 | 116 | 230 TO 232 | 3 MIN | 90 | 270 | 16 | M 24 X 220 MM |
| 152 | ||||||||||
| 168 | ||||||||||
| 8 | 177.8 | 336 | 265 | 160 | 320 | 3 MIN | 120 | 340 | 25 | M 30 X 300 MM |